
SDM-2020 Satellite Demodulator Revision 4
ASI/LVDS Data Interface MN/SDM2020D.IOM
13–2
13.1.2 Description
This data interface is a plug-in module that inserts into the rear panel of the chassis. The
data interface provides a physical and electrical connection between the external
terrestrial circuit and the internal circuitry of the unit. By convention, a modem is Digital
Communications Equipment (DCE) where transmit data enters the data interface and
receive data exits it. The data interface has full duplex capability but is automatically
configured for simplex-transmit or simplex-receive operation, depending upon whether it
is plugged into a modulator or demodulator chassis.
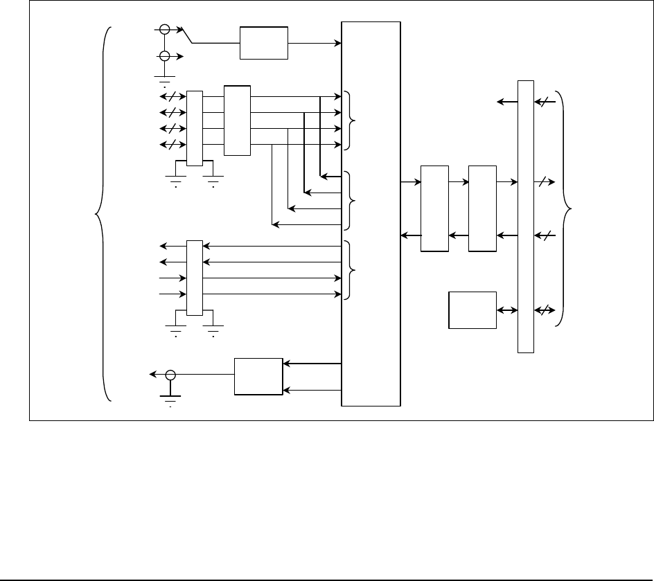
Figure 13-1 shows the ASI/LVDS data interface block diagram. At a functional level, the
data interface has three ASI I/O ports. One port is LVDS interface and an auxiliary
connector. Transmitted data into the modulator enters the ASI/LVDS data interface at the
TX input as a synchronous serial data stream, while data received by a demodulator is
sent by the data interface at the RX outputs as a synchronous serial data stream. The ASI
data stream is a serial, high-speed 8B/10 encoded signal, while the outputs for modulator
and demodulator faults as well as input for control and transmission.
Figure 13-1. ASI And LVDS Interface Block Diagram
ASI
Recovery
J3
J4
LVDS
Clk
D0-D7
DValid
Sync
J7
ASI
Generator
Loopback
96 Pin DIN
M&C
Interface
Modulator /
Demodulator
Interface
Terrestrial
Interface
Tx
ASI
Rx
ASI
BNC-F
BNC-F
DC
Power
Aux
MF
DF
Tx On / Off
Ext Clk
Tx LVDS
Rx LVDS
Aux I / O
Tx ASI
Rx ASI
Recovery,
Processing
And ASI
/ LVDS
Selection
J6
J5
Tx Termination
Jumper
Level
Translators
Commenti su questo manuale