
CRS-300 1:10 Redundancy Switch Revision 16
Cable Drawings MN/CRS300.IOM
A-18
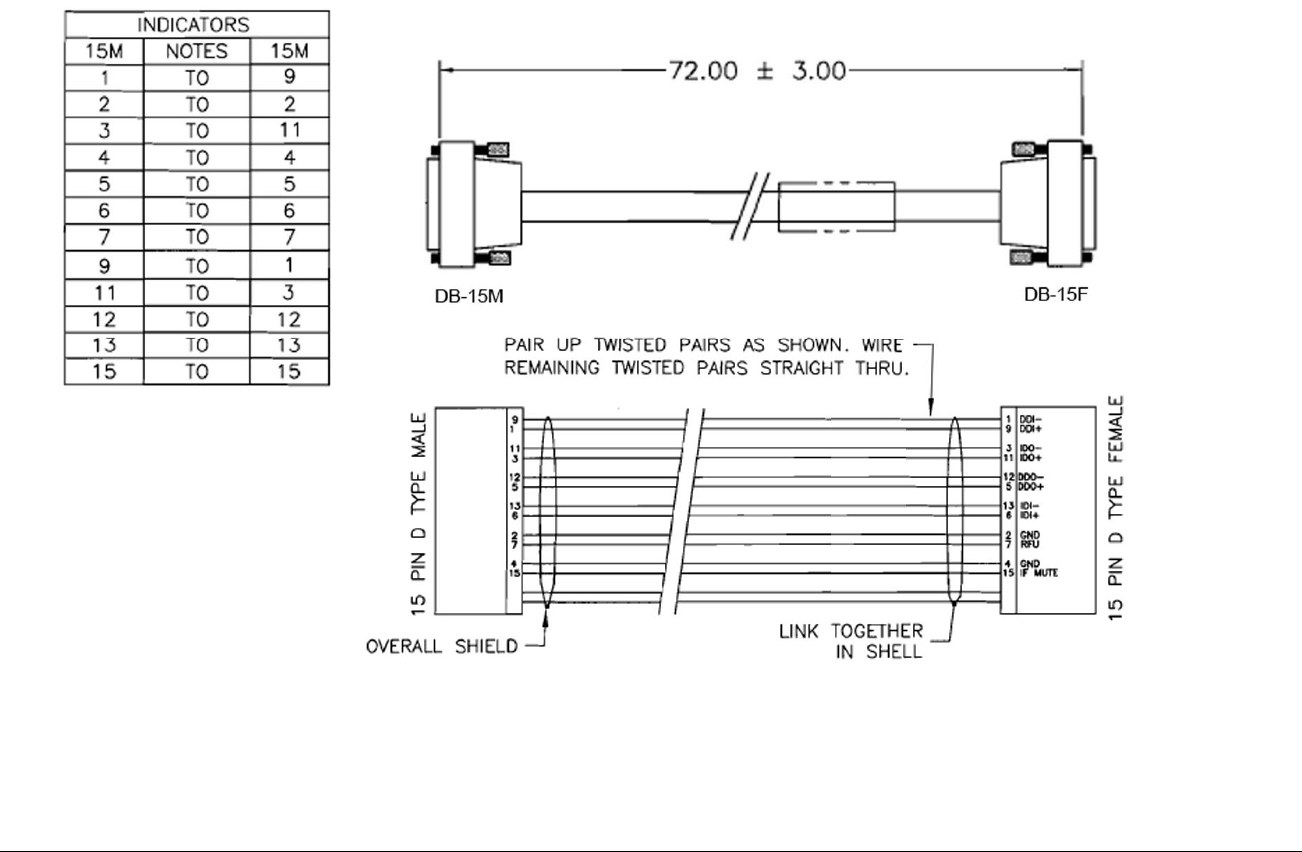
A.4.2 Balanced G.703 Data Cable for CDM-570/570L, DB-15
Figure A-14 shows the DB-15 data cable for connection between the Switch and CDM-570/570L modem or between the Switch and the User data.
Figure A-14. Balanced G.703 Data Cable (CA/WR11999-6)
Commenti su questo manuale